
Уведомяване по имейл, когато този продукт отново е наличен
Продукт за предварителна поръчка
- Описание
- Инструкции
- Методи на плащане
- Гаранция
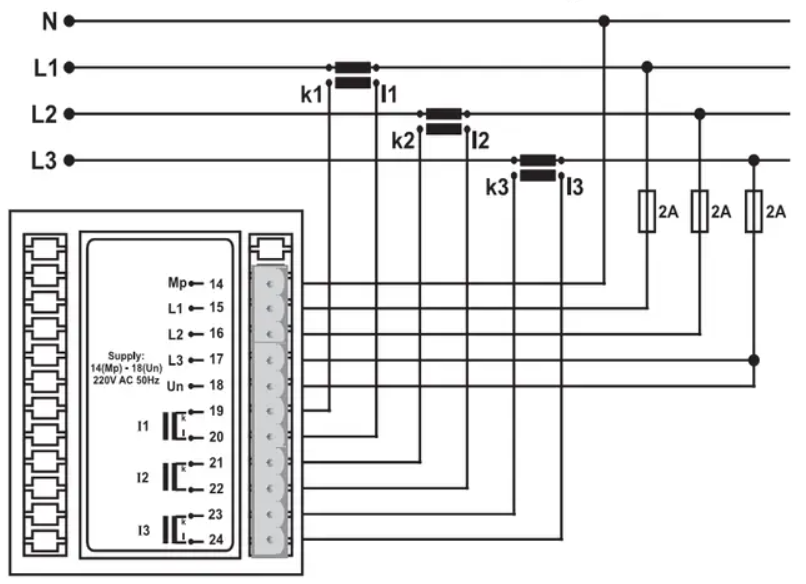
TENSE 3-фазен панелен мултиметър - VAHz
Описание
Цифровият 3-фазен панелен мултиметър TENSE е многофункционален уред за наблюдение на електрически параметри в 3-фазни системи. Уредът позволява да се измерват напрежение, ток и честота, да се проверява правилното свързване на фазите и е подходящ за промишлено оборудване, машини и системи за разпределение на променлив ток.
Основни предимства
-
Многофункционално измерване: I, U (L-L, L-N), Hz
-
Косвено измерване на ток чрез свързани токови трансформатори
-
Контрол на фазите и проверка на окабеляването
-
Включен измервателен трансформатор при моделите EM-100D и EM-250D
-
Монтаж на стандартна DIN шина
Обхват на измерване
| Параметър | Модели EM-06 / EM-72 | EM-100D | EM-250D |
|---|---|---|---|
| Ток | 5/5 ... 9995/5 A (непряк) | 1 - 100 A | 2 - 250 A |
| Напрежение L-N | 1 - 300 V AC | 1 - 300 V AC | 1 - 300 V AC |
| Напрежение L-L | 1 - 500 V AC | 1 - 500 V AC | 1 - 500 V AC |
| Честота | 40 - 60 Hz | 40 - 60 Hz | 40 - 60 Hz |
Препоръки
-
За моделите EM-06 и EM-72 препоръчваме следните токови трансформатори:
60/5, 75/5, 100/5, 150/5, 200/5, 250/5, 300/5, 400/5, 500/5, 600/5, 800/5, 1000/5, 1500/5 -
Трансформаторите могат да бъдат закупени директно от нашия електронен магазин.
Изтегляне на
Онлайн плащане с карта - след завършване на поръчката ще бъдете пренасочени към платежната система, потвърждението за плащането ще пристигне на имейла Ви
Наложен платеж - плащане на куриера на транспортната компания
По банков път - на Вашия имейл ще получите най-късно на следващия работен ден проформа фактура, на която ще намерите номера на сметката, който да въведете при плащането.
На фактура - този вариант на плащане имат партньори, които имат сключен с нашата компания рамков договор.
Ако искате да използвате последните 2 начина, обадете се на нашия мениджър и той ще Ви даде инструкции как да получите фактура с ДДС или без ДДС.
Доставяните от нас електрически уреди отговарят на високи стандарти за качество, имат гаранция от 24 месеца и отговарят на всички изисквания на ЕС.
Имаме също безплатна доставка (за поръчки над 195 BGN), гъвкава система отстъпки и промоции. Техническите знания и опитът на нашите служители ни позволяват да предоставяме висококачествени консултации и при необходимост да предлагаме алтернативи на електронни продукти.
Електрическото оборудване, което предлагаме, отговаря на високи стандарти за качество, покрито е с 24‑месечна гаранция и изпълнява всички изисквания на ЕС.
В случай на рекламация, връщането на стоката не се таксува.
