
Уведомяване по имейл, когато този продукт отново е наличен
Продукт за предварителна поръчка
- Описание
- Инструкции
- Методи на плащане
- Гаранция
Цифров панелен мултиметър 72x72 mm - TENSE (DAV-72D)
Описание на продукта:
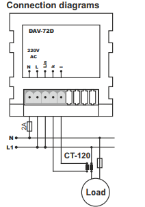
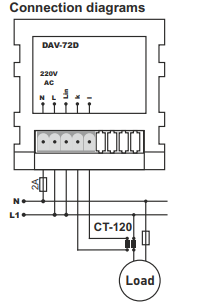
DAV-72D е 1-фазен цифров комбиниран волтметър-амперметър, предназначен за непрекъснато наблюдение на променливото напрежение между фазовия и нулевия проводник и на консумирания ток на товара, измерван от външен токов трансформатор (CT-120, включен в комплекта). Уредът е подходящ за електрически разпределителни табла, производствени предприятия и системи за разпределение или мониторинг на захранването.
Принцип на действие и употреба:
-
Свързване към измерваните фазов и нулев проводник чрез клемите за измерване на напрежението.
-
Измерване на тока чрез външен токов трансформатор CT-120, чиито вторични проводници се свързват към клемите K и L на задния панел на уреда.
-
Когато се подаде захранване, се показва следното:
-
Действително фазово напрежение (V)
-
ток на товара (A)
-
Инсталиране и настройка:
-
Монтаж на предния панел (изрез 68 × 68 mm)
-
Окабеляване на CT-120, както е показано на диаграмата, товарният проводник се прекарва през трансформатора
-
Не използвайте други токови трансформатори - уредът е калибриран специално за CT-120.
Технически спецификации:
-
Работно напрежение: 140-270 VAC.
-
Мрежова честота: 50/60 Hz
-
Диапазон на показваното напрежение: 5-300 V AC
-
Обхват на измервания ток: 1-100 A (чрез CT-120)
-
Точност:
-
Напрежение: ±1%
-
Ток: ±3 %
-
-
Дисплей: 2 реда, 3 цифри, височина на символа 14 mm
-
Мощност на инструмента: <6 VA
-
Работна температура: от -20 °C до +55 °C
-
Надморска височина: до 2000 м
-
Свързване: щепселни клеми, сечение на кабела до 1,5 mm²
-
Монтаж: панел, отпред
-
Тегло: до 220 g
Онлайн плащане с карта - след завършване на поръчката ще бъдете пренасочени към платежната система, потвърждението за плащането ще пристигне на имейла Ви
Наложен платеж - плащане на куриера на транспортната компания
По банков път - на Вашия имейл ще получите най-късно на следващия работен ден проформа фактура, на която ще намерите номера на сметката, който да въведете при плащането.
На фактура - този вариант на плащане имат партньори, които имат сключен с нашата компания рамков договор.
Ако искате да използвате последните 2 начина, обадете се на нашия мениджър и той ще Ви даде инструкции как да получите фактура с ДДС или без ДДС.
Доставяните от нас електрически уреди отговарят на високи стандарти за качество, имат гаранция от 24 месеца и отговарят на всички изисквания на ЕС.
Имаме също безплатна доставка (за поръчки над 195 BGN), гъвкава система отстъпки и промоции. Техническите знания и опитът на нашите служители ни позволяват да предоставяме висококачествени консултации и при необходимост да предлагаме алтернативи на електронни продукти.
Електрическото оборудване, което предлагаме, отговаря на високи стандарти за качество, покрито е с 24‑месечна гаранция и изпълнява всички изисквания на ЕС.
В случай на рекламация, връщането на стоката не се таксува.



