
Уведомяване по имейл, когато този продукт отново е наличен
Продукт за предварителна поръчка
- Описание
- Инструкции
- Методи на плащане
- Гаранция
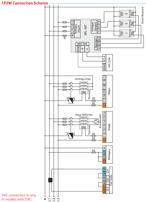
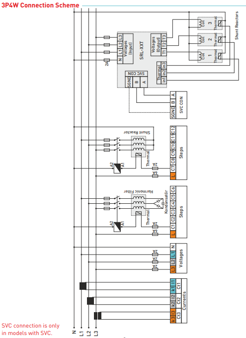
12 стъпки + TCR Контролер на фактора на мощността с 2,9-инчов графичен LCD дисплей и RS-485 (TENSE)
Контролерът на реактивната мощност RGT-12SVC (TENSE ) е напълно автоматично устройство за оптимално превключване на стъпалата на компенсация.
Цифровата обработка на стойностите, измерени от регулатора, осигурява висока точност при оценката на ефективното напрежение, ток и фактор на мощността.
Монтажът на устройството е напълно автоматичен - регулаторът сам определя размера на отделните свързани компенсационни стъпала. Тези параметри могат да бъдат въведени и директно ръчно.
Контролерът включва и изключва компенсационните стъпала, така че реактивната мощност да се регулира с минимален брой превключвания. В същото време контролерът отчита равномерното натоварване на отделните стъпала и преференциално включва тези стъпала, които са били изключени от захранването за най-дълъг период от време и за които остатъчният заряд е минимален. По време на процеса на регулиране компенсационните стъпала се наблюдават непрекъснато паралелно - откриват се повреди и промени в стойностите, временно отстранените стъпала се тестват периодично и при необходимост се връщат в процеса на регулиране.
Вход за генератора и компенсация на генератора
Могат да се задават времената на задействане, разреждане и установяване
Дистанционна комуникация с RS485 (RS485 ModBus RTU)
Могат да се свързват еднофазни, двуфазни и трифазни кондензатори и шунтиращи реактори
Могат да се наблюдават хармонични напрежение и ток до 31-ви хармоник
Може да се следи общата енергия (внос/износ)
Могат да се наблюдават стойностите на THD-V и THD-I на всяка фаза
Създаване на анализ на мощността (20 проби 9999 мин.) - за избор на кондензатор
Онлайн плащане с карта - след завършване на поръчката ще бъдете пренасочени към платежната система, потвърждението за плащането ще пристигне на имейла Ви
Наложен платеж - плащане на куриера на транспортната компания
По банков път - на Вашия имейл ще получите най-късно на следващия работен ден проформа фактура, на която ще намерите номера на сметката, който да въведете при плащането.
На фактура - този вариант на плащане имат партньори, които имат сключен с нашата компания рамков договор.
Ако искате да използвате последните 2 начина, обадете се на нашия мениджър и той ще Ви даде инструкции как да получите фактура с ДДС или без ДДС.
Доставяните от нас електрически уреди отговарят на високи стандарти за качество, имат гаранция от 24 месеца и отговарят на всички изисквания на ЕС.
Имаме също безплатна доставка (за поръчки над 195 BGN), гъвкава система отстъпки и промоции. Техническите знания и опитът на нашите служители ни позволяват да предоставяме висококачествени консултации и при необходимост да предлагаме алтернативи на електронни продукти.
Електрическото оборудване, което предлагаме, отговаря на високи стандарти за качество, покрито е с 24‑месечна гаранция и изпълнява всички изисквания на ЕС.
В случай на рекламация, връщането на стоката не се таксува.
