
Уведомяване по имейл, когато този продукт отново е наличен
Продукт за предварителна поръчка
- Описание
- Инструкции
- Методи на плащане
- Гаранция
18 стъпки + TCR Контролер на фактора на мощността за симетрични/асиметрични мрежи с 5-инчов сензорен екран и RS-485 (TENSE)
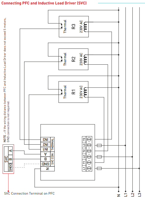
Релетата за контрол на реактивната мощност са предназначени за намаляване на реактивната мощност (индуктивна и капацитивна), която не се използва от товара и се черпи от мрежата. Когато индуктивната мощност се черпи от мрежата, то се намесва, като отстранява кондензатор с подходяща стойност. Ако капацитивната мощност се черпи от мрежата, той се намесва, като отнема шунтиращ индуктор с подходяща стойност. По този начин той се опитва да намали индуктивните/активните и капацитивните/активните скорости на системата. Той е проектиран така, че да осигурява по-разумна компенсация в небалансирани индуктивни и капацитивни системи със стъпка RGT-MT18 TCR
Вход за генератор и компенсация на генератора
Изход за аларма за напрежение, хармоничен ток/напрежение, индуктивен и капацитивен ток
Възможност за регулиране на времената на задействане, разреждане и успокояване
Дистанционна комуникация с RS485 (RS485 ModBus RTU)
Могат да се свързват еднофазни, двуфазни и трифазни кондензатори и шунтиращи реактори
Могат да се наблюдават хармонични напрежение и ток до 61-ви хармоник
Може да се следи общата енергия (внос/износ)
Могат да се наблюдават стойностите на THD-V и THD-I на всяка фаза
Създаване на анализ на мощността (20 проби 9999 мин.) - за избор на кондензатор
Температурен алармен изход
Регистриране на потреблението (активна и реактивна и привидна мощност и потребление на ток)
Могат да се наблюдават минималните, максималните и средните стойности на тока и напрежението на всяка фаза
Актуална дата и час
Онлайн плащане с карта - след завършване на поръчката ще бъдете пренасочени към платежната система, потвърждението за плащането ще пристигне на имейла Ви
Наложен платеж - плащане на куриера на транспортната компания
По банков път - на Вашия имейл ще получите най-късно на следващия работен ден проформа фактура, на която ще намерите номера на сметката, който да въведете при плащането.
На фактура - този вариант на плащане имат партньори, които имат сключен с нашата компания рамков договор.
Ако искате да използвате последните 2 начина, обадете се на нашия мениджър и той ще Ви даде инструкции как да получите фактура с ДДС или без ДДС.
Доставяните от нас електрически уреди отговарят на високи стандарти за качество, имат гаранция от 24 месеца и отговарят на всички изисквания на ЕС.
Имаме също безплатна доставка (за поръчки над 195 BGN), гъвкава система отстъпки и промоции. Техническите знания и опитът на нашите служители ни позволяват да предоставяме висококачествени консултации и при необходимост да предлагаме алтернативи на електронни продукти.
Електрическото оборудване, което предлагаме, отговаря на високи стандарти за качество, покрито е с 24‑месечна гаранция и изпълнява всички изисквания на ЕС.
В случай на рекламация, връщането на стоката не се таксува.
