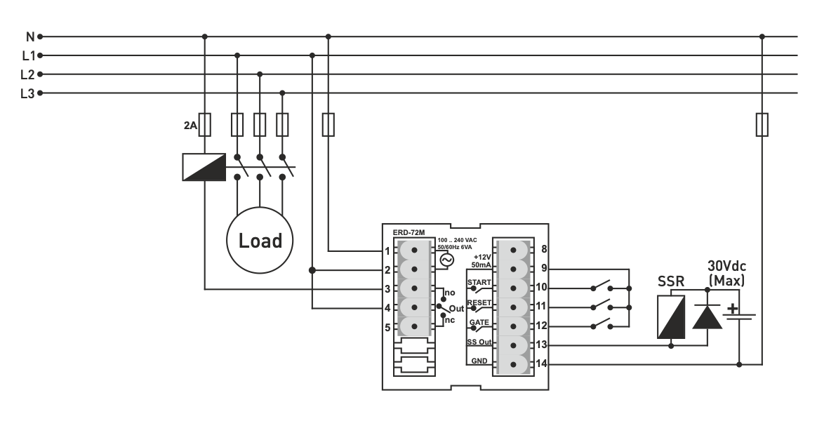
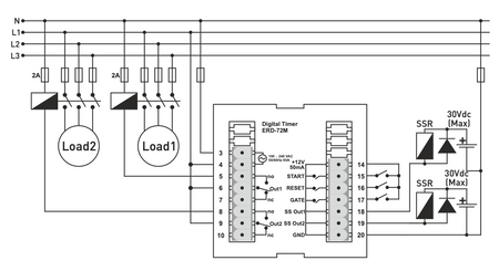
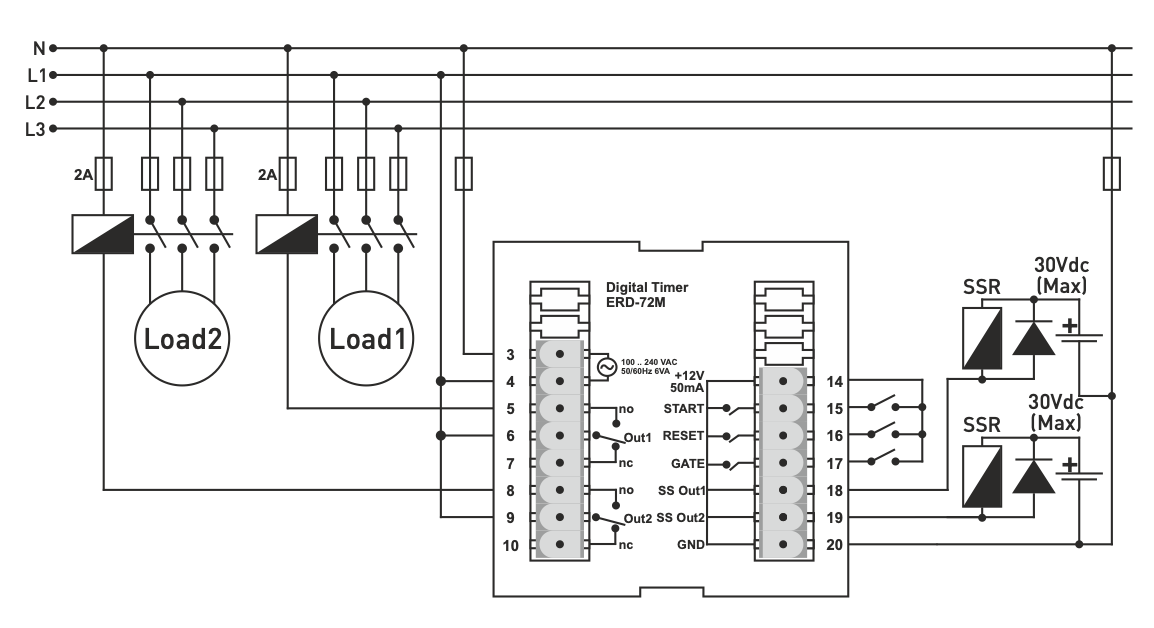
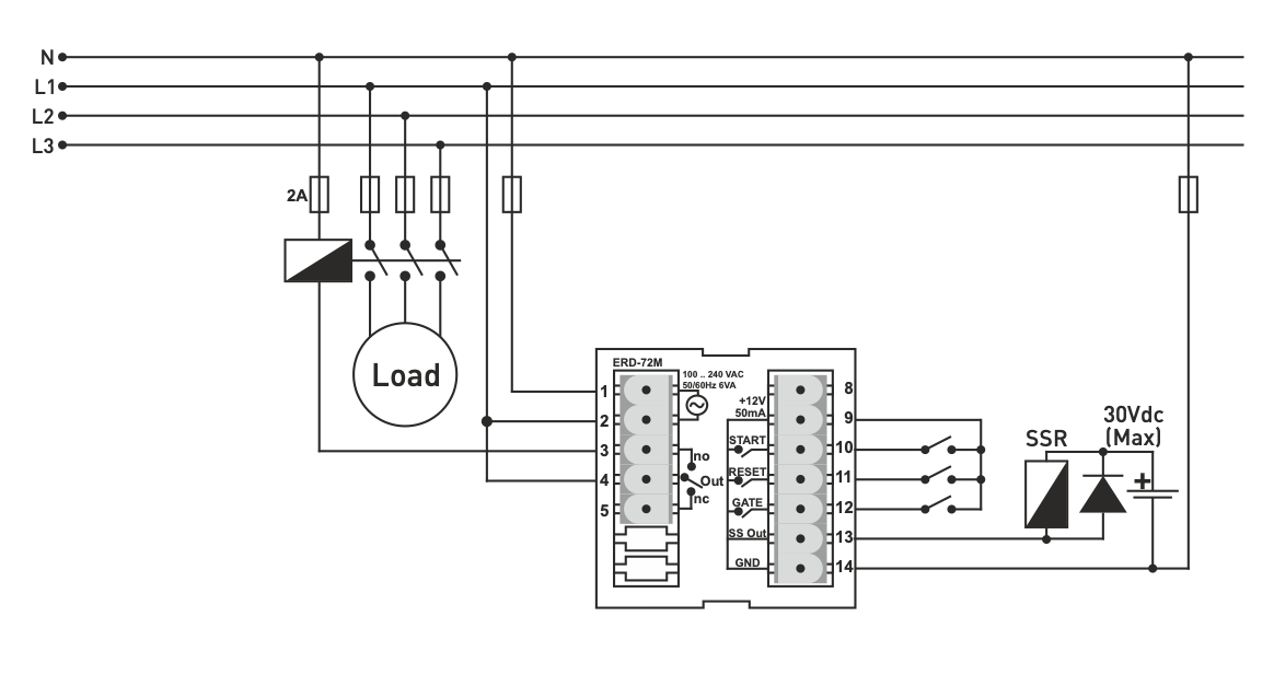
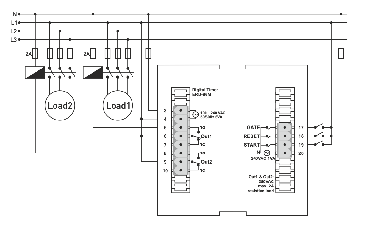
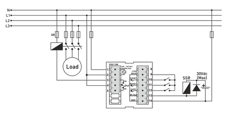
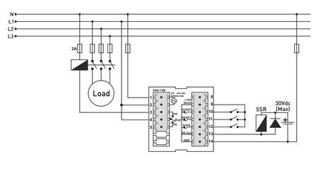
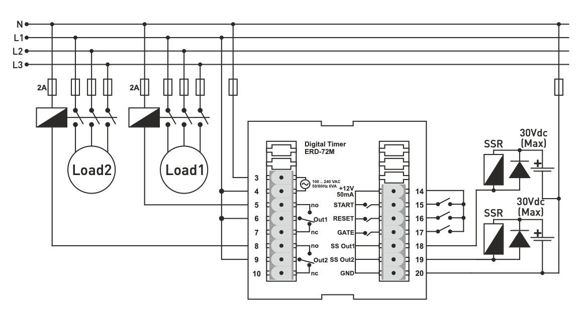
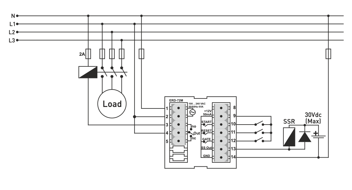
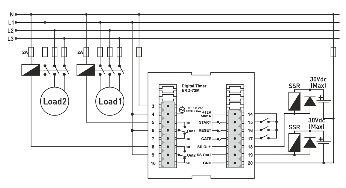
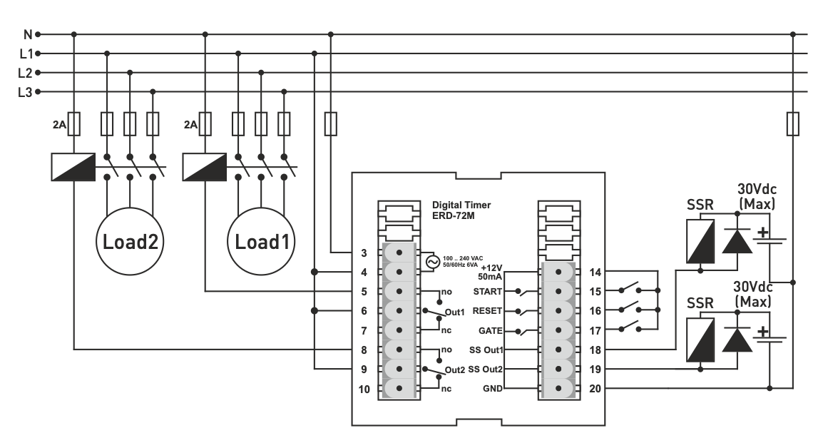
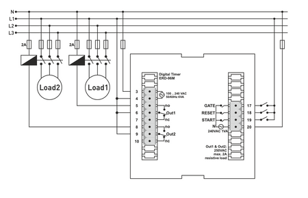
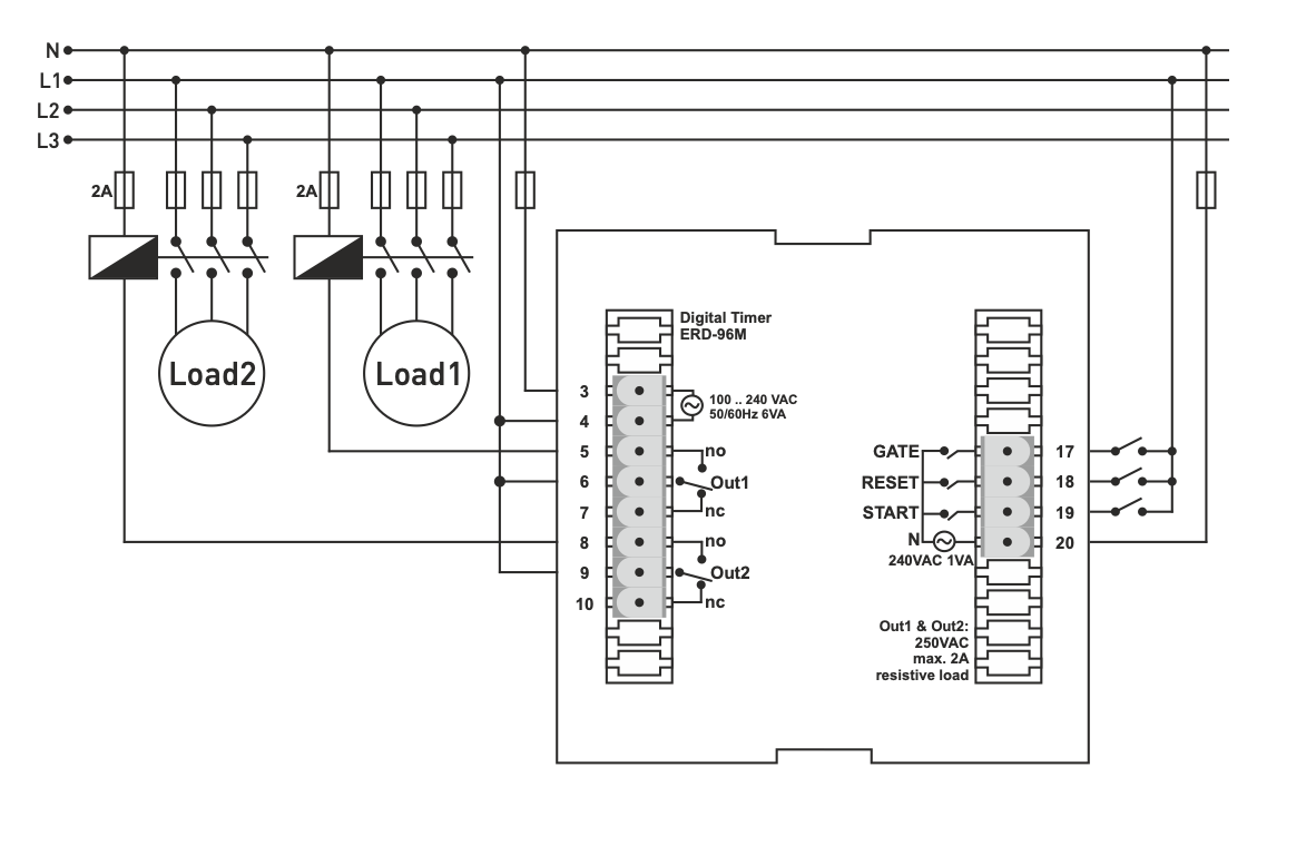
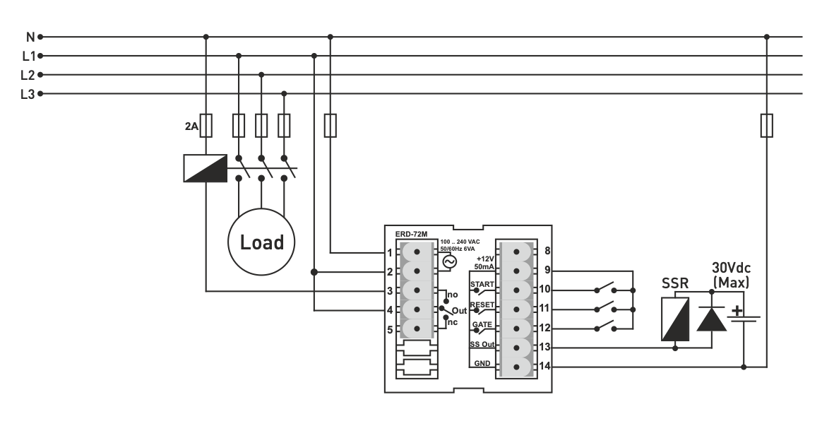
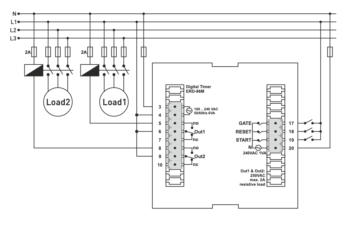
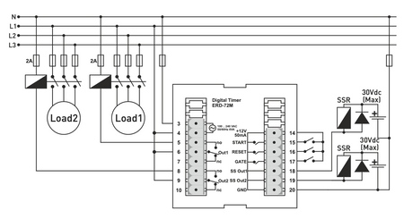
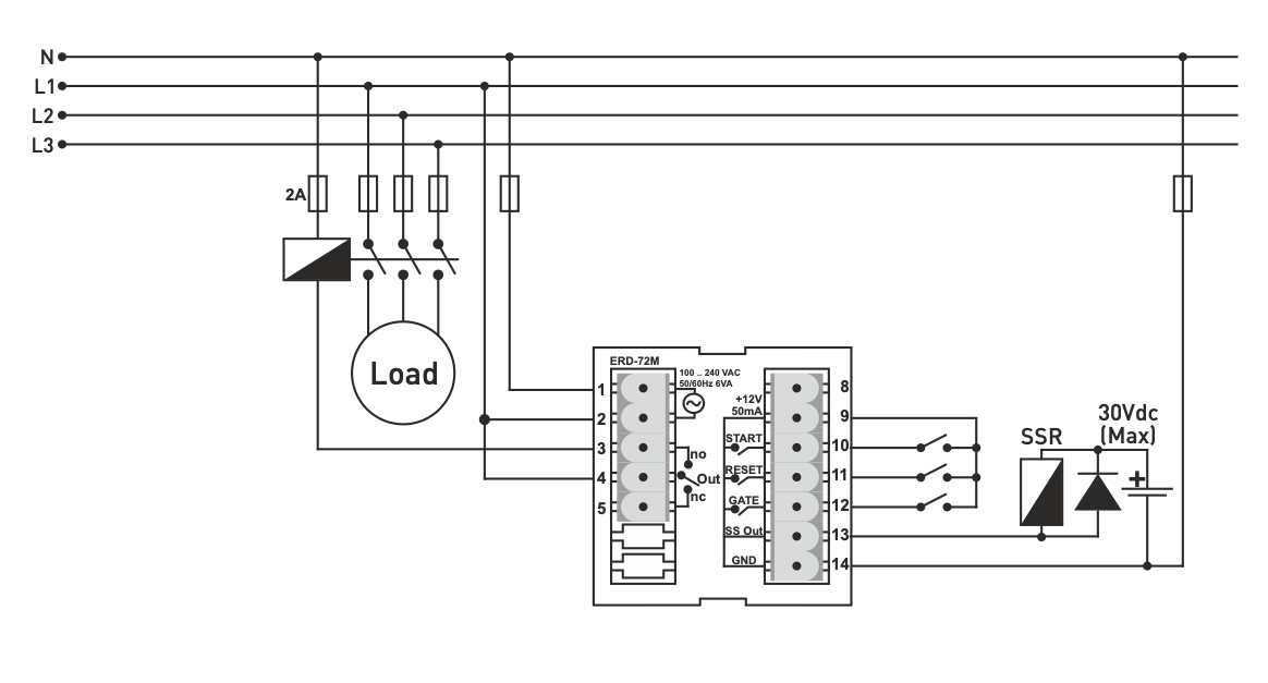
Multifunctional time relay 2x4 LED display for panel/door mounting
Failed to load pickup availability
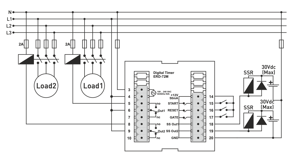
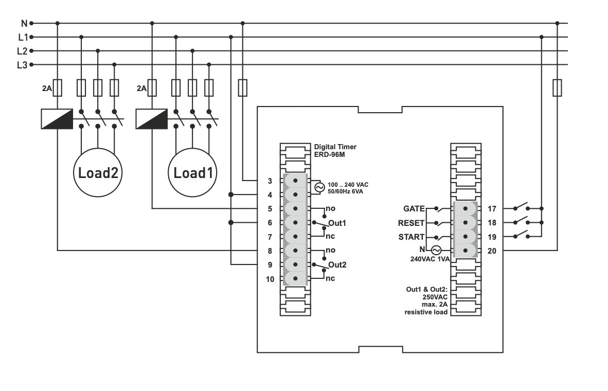
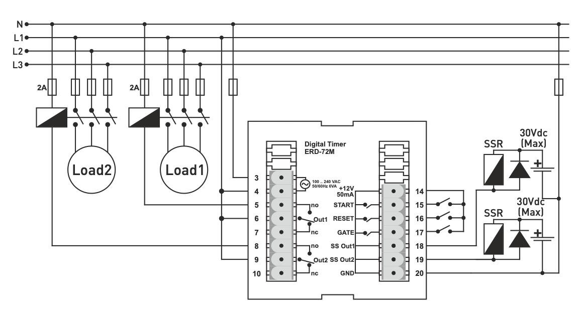
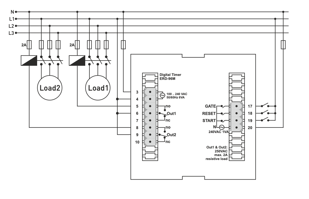
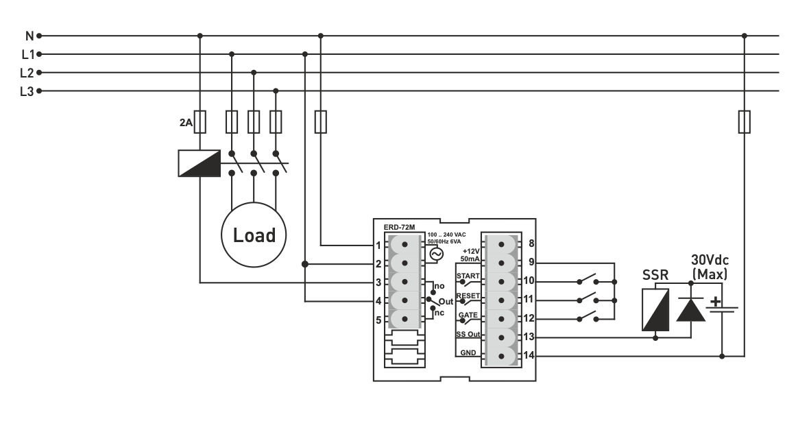
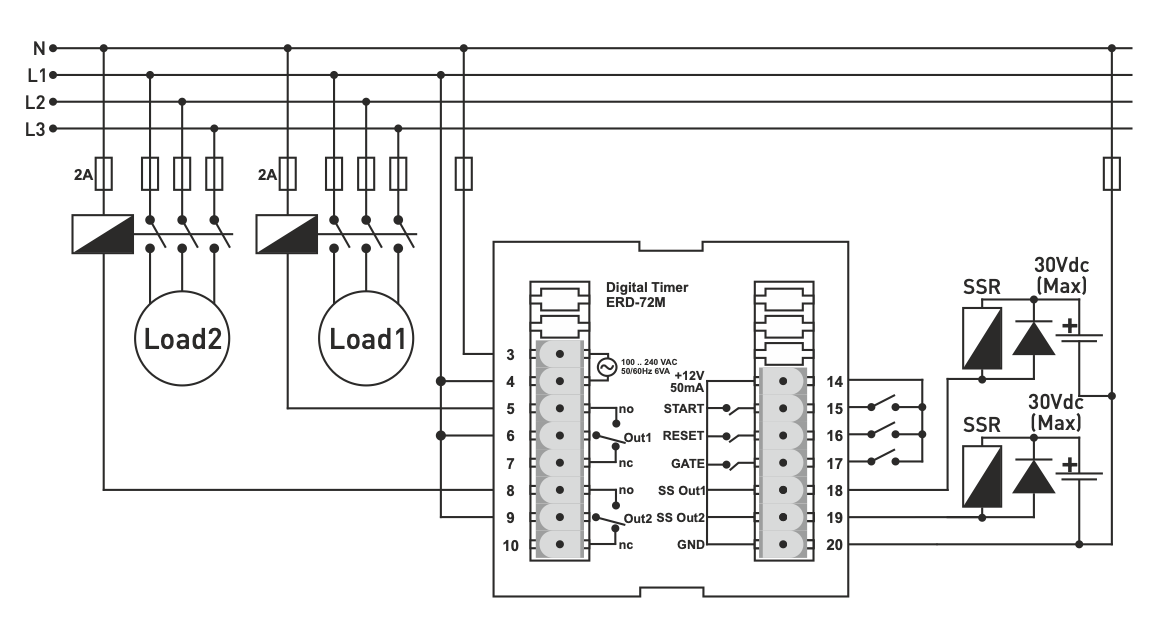
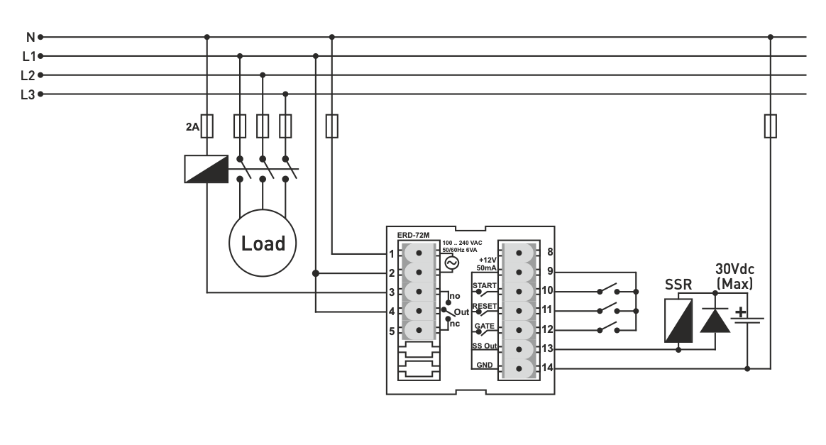
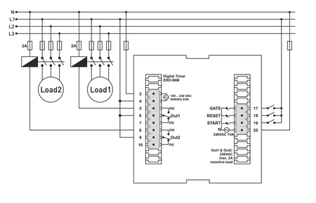
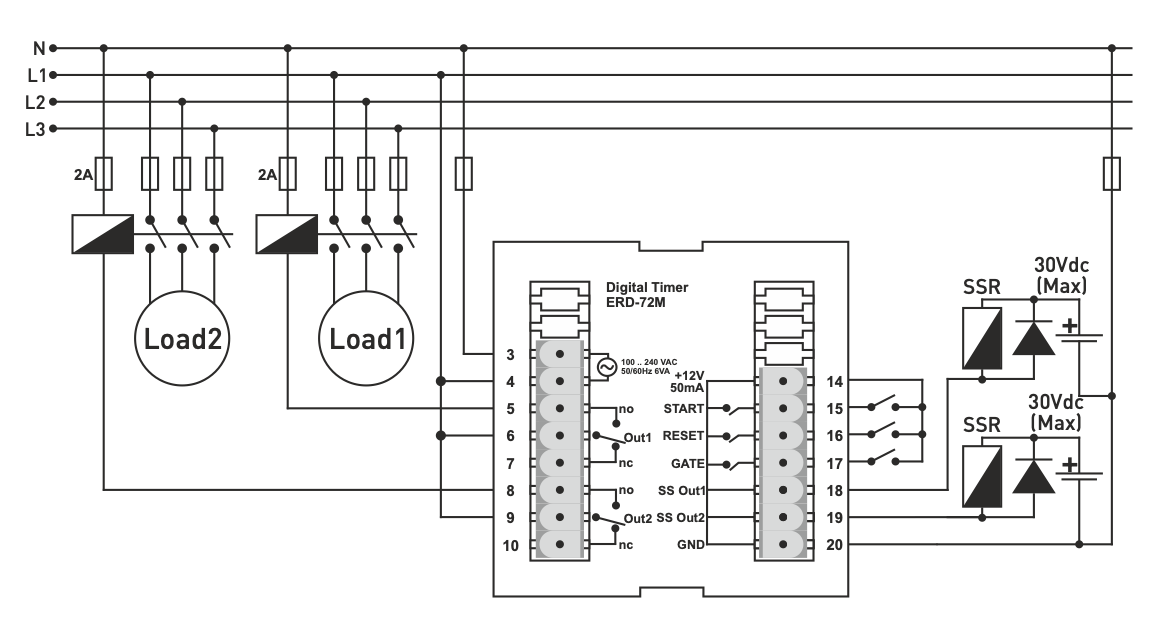
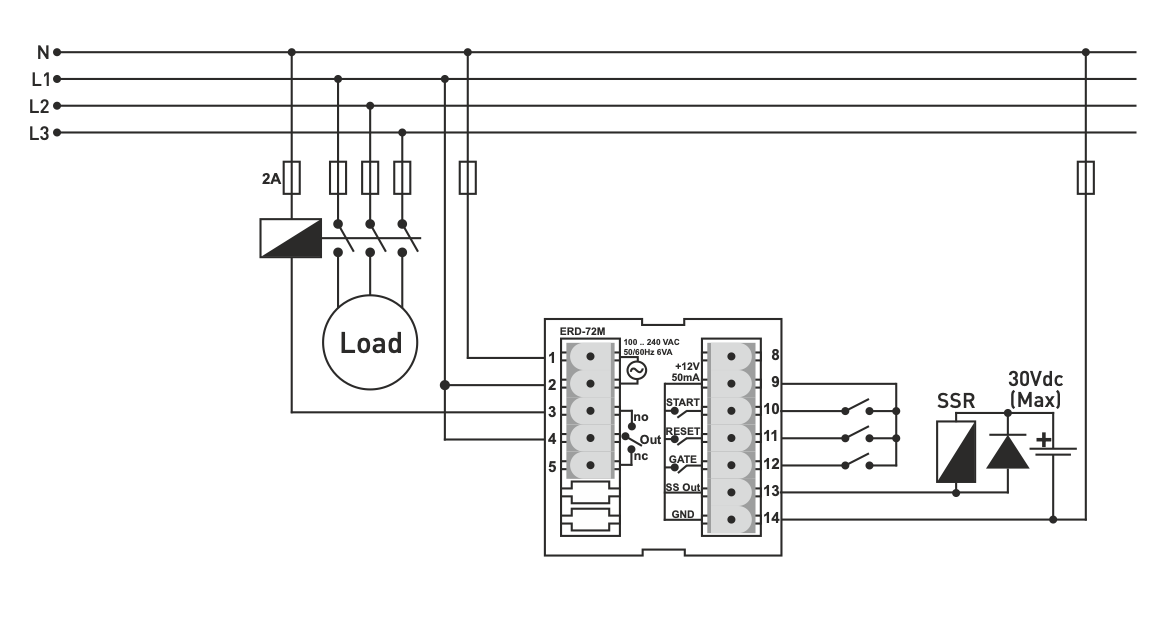
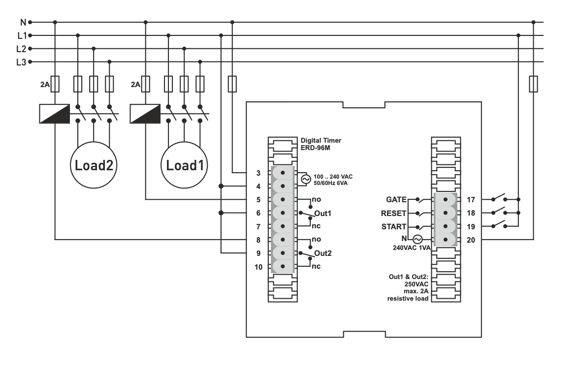
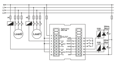
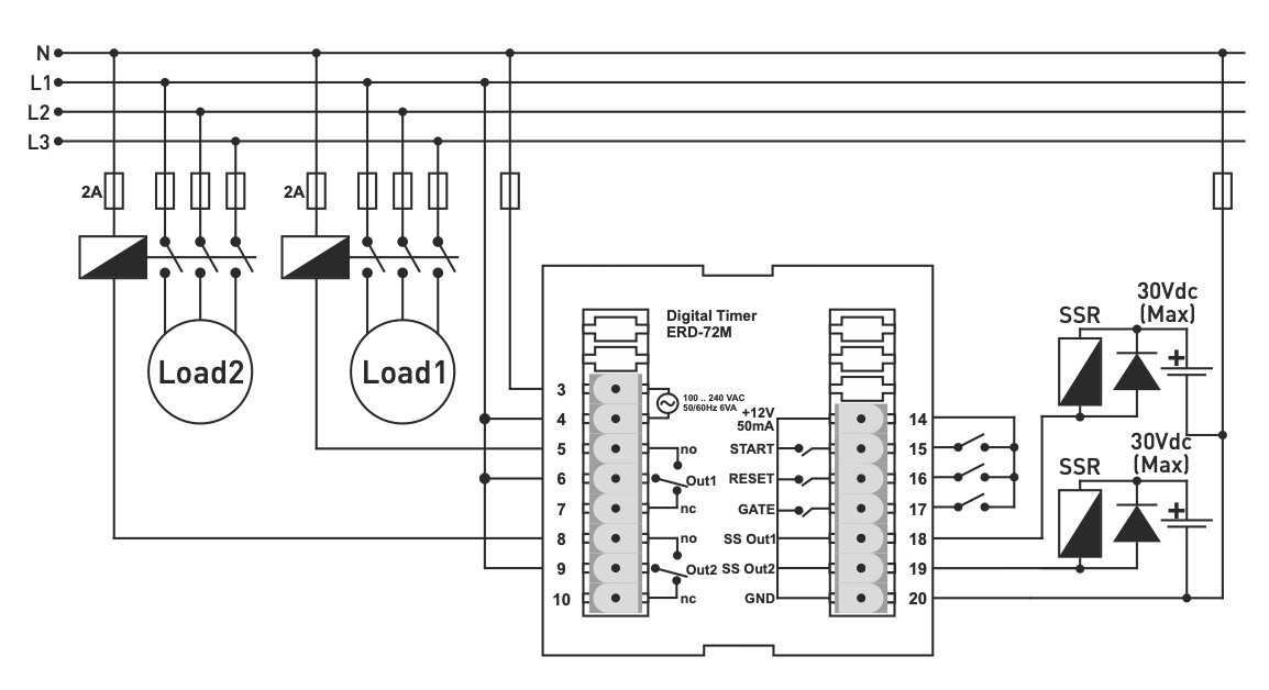
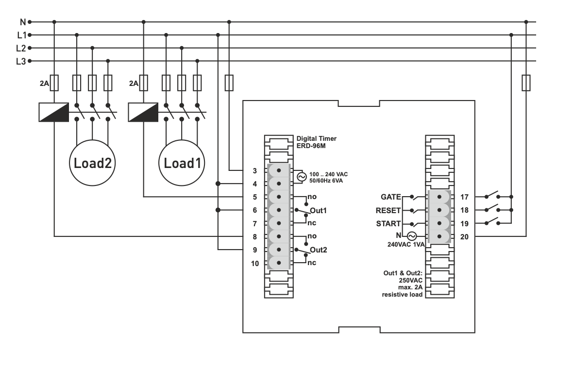
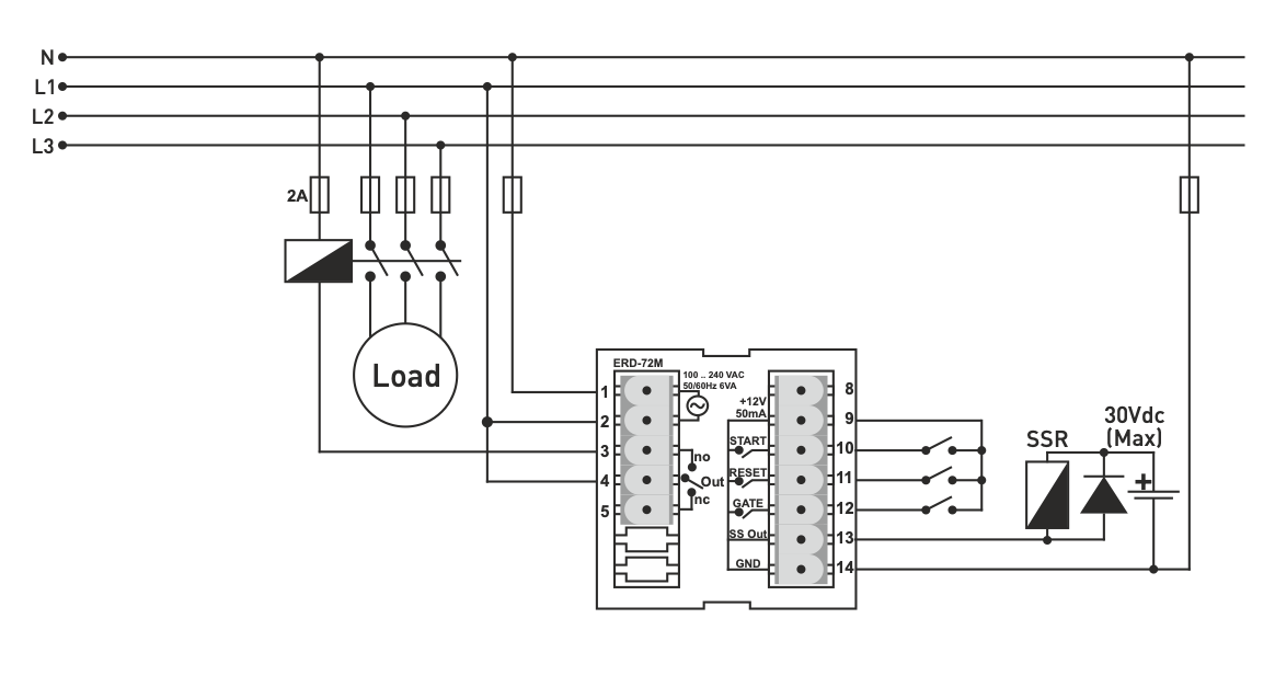
Multifunction time relay 2x4 LED display for panel/door mounting. VOLTAGE ERD-96M, ERD-48M, ERD-72M
Time relay with eight functions:
Mode 0: pulse delay, turning off with RESET
Mode 1: Flashing with START/RESET
Mode 2: Single shot after turning on and off
Mode 3: Delay when turning off
Mode 4: Tracking delay and turning on
Mode 5: Delay with one shot after turning off
Mode 6: Timer - counting with START
Mode 7: timer - counting with START, resetting with RESET
Time setting range:
99:59 hours / 99:59 minutes / 599.9 seconds
Online payment by card - after completing the order you will be redirected to the payment platform, you will receive confirmation of payment by email
Cash on delivery - payment by payment order, you will pay the driver of the transport company
By bank transfer - you will receive the advance invoice to your email no later than the next business day, on which you will find the account number that you must enter when making the payment.
On invoice - this payment option is available to partners who have a framework agreement with our company.
If you want to use the last 2 methods, call our manager and he will give you instructions on how to receive an invoice with or without VAT.
The electrical appliances we supply meet high quality standards, have a 24-month warranty and meet all EU requirements.
In case of a complaint, no fee is charged for returning the goods.