Network Analyzer - panel for current, voltage, frequency, power, energy, RS485
Failed to load pickup availability
3-phase network analyzer / Network analyzer / Network analyzer - multifunctional digital panel measuring device, indicator for current, voltage, frequency, and total power, with relay output, RS485 ModBus RTU - TPM-04SHDL manufacturer TENSE (Turkey) panel measuring devices.
Power analyzers are designed for measuring and monitoring electrical values. Thanks to the communication function, the measured energy values can be monitored and recorded independently. With the help of power analyzers, analyses such as power quality, efficiency, and calculation of unit costs can be performed.
Main advantages:
- RS485 Modbus RTU (1200-19200b/s)
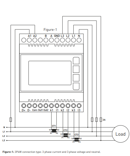
- Three-phase voltage transformer and three-phase current transformer.
-
It shows the harmonic components of voltage and current up to the 31st harmonic.
-
Displays the active power of a phase (P)
-
Displays reactive power per phase (Q, inductive and capacitive)
-
Displays the apparent power per phase (S)
-
Displays the values of Cosφ and the power factor of each phase.
-
Displays the values of voltage (V) and current (I) between phases and neutral phases and measures frequency.
-
Displays the values of total import and export of active energy (ΣkWh)
-
Displays the total values of inductive and capacitive reactive energy (ΣkVArh).
-
Displays the minimum and maximum values, maximum consumption
-
2 relay outputs, 1 digital input
-
Event logs (high/low voltage/current, voltage/current asymmetry, THD-I)
-
The menu is password protected.
Typically, this network analyzer is used with current measuring transformers - 60/5 75/5 100/5 150/5 200/5 250/5 300/5 400/5 500/5 600/5 800/5 1000/5 1500/5 or similar. If you are going to connect the analyzer to ModBus, upon request we will send you a "Registration Table" with ModBus addresses.
Online payment by card - after completing the order you will be redirected to the payment platform, you will receive confirmation of payment by email
Cash on delivery - payment by payment order, you will pay the driver of the transport company
By bank transfer - you will receive the advance invoice to your email no later than the next business day, on which you will find the account number that you must enter when making the payment.
On invoice - this payment option is available to partners who have a framework agreement with our company.
If you want to use the last 2 methods, call our manager and he will give you instructions on how to receive an invoice with or without VAT.
The electrical appliances we supply meet high quality standards, have a 24-month warranty and meet all EU requirements.
In case of a complaint, no fee is charged for returning the goods.