Temperature controller for panel mounting ON - OFF with external sensor

In stock - 27 items available
SKU: DT-321
Common price 54.32 лв including VAT

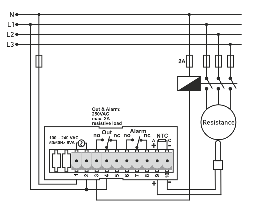
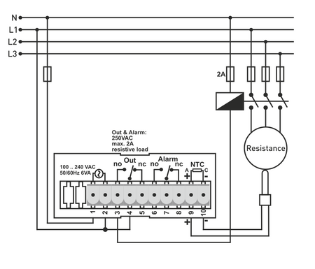
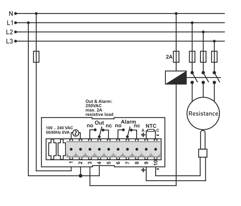
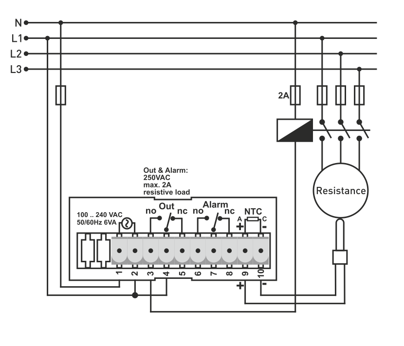
Thermostat / 2-point temperature controller for panel mounting in ON-OFF control mode,

thermostat with external sensor, measurement range -30ºC ...+150ºC, resolution / step 1ºC (made in Turkey, TENSE) DT-321

Control and monitoring of thermal processes in heating, air conditioning, and ventilation systems, building automation, industrial enterprises.

  • Sensor type: NTC

  • Relay outputs OUT and ALARM (NO+NC) 250VAC, 2A

  • Optional heating and cooling function

  • Hysteresis
  • Adjustable timers for ON/OFF for OUT in case of sensor failure

  • Protection against compression thanks to adjustable off times
  • Upper and lower limits for SET and ALARM settings

  • Adjustable separate hysteresis for SET and ALARM settings

  • Delay of activation for OUT in cooling mode

  • EEPROM memory for storing settings

  • Password protection

  • High precision

This simple temperature controller can be used with the three types of sensors presented on our website

Online payment by card - after completing the order you will be redirected to the payment platform, you will receive confirmation of payment by email

Cash on delivery - payment by payment order, you will pay the driver of the transport company

By bank transfer - you will receive the advance invoice to your email no later than the next business day, on which you will find the account number that you must enter when making the payment.

On invoice - this payment option is available to partners who have a framework agreement with our company.

If you want to use the last 2 methods, call our manager and he will give you instructions on how to receive an invoice with or without VAT.

The electrical appliances we supply meet high quality standards, have a 24-month warranty and meet all EU requirements.

In case of a complaint, no fee is charged for returning the goods.