3-phase digital panel measuring devices Current multimeter Voltage frequency indicator
Failed to load pickup availability
Multimeter - 3-phase panel multimeter, multifunctional digital panel measuring device, display for current, voltage, and frequency, manufacturer TENSE (Turkey), panel measuring devices
Three-phase panel meter for AC VAHz for measuring current, voltage, and checking phase connections in three-phase equipment, machines, or AC distribution systems.
Main advantages:
- (I,U(L-L,L-N,HZ);
- Measurement range:
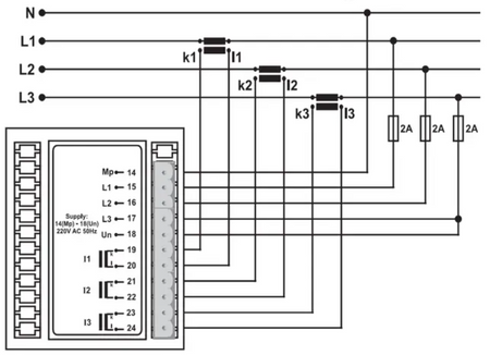
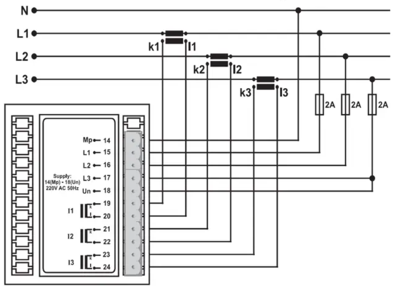
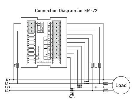
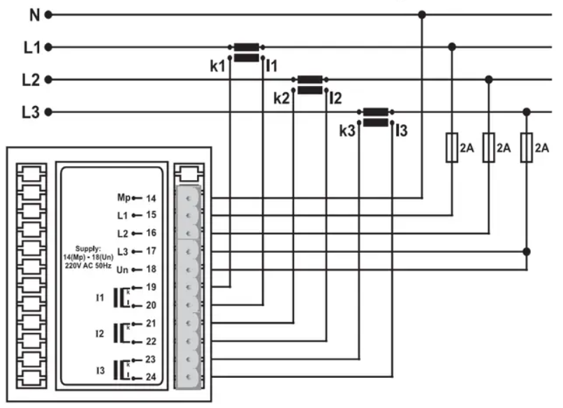
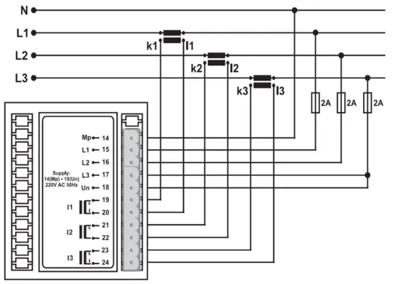
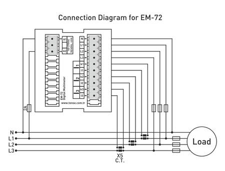
- (EM-06 and EM-72), indirect measurement 5/5...9995/5A (EM-06 and EM-72), 1A - 100A (EM-100D), 2-250A (EM-250D);
-
Voltage - 1V-300V AC (L-N), 1V-500V AC (L-L);
- Frequency - 40Hz-60Hz;
-
Phase tracking;
- Included measuring transformer (EM-100D and EM-250D).
Usually, this multimeter (EM-06/EM-72) is used with current measuring transformers - 60/5 75/5 100/5 150/5 200/5 250/5 300/5 400/5 500/5 600/5 800/5 1000/5 1500/5 or similar. You can purchase such transformers from our online store,
Online payment by card - after completing the order you will be redirected to the payment platform, you will receive confirmation of payment by email
Cash on delivery - payment by payment order, you will pay the driver of the transport company
By bank transfer - you will receive the advance invoice to your email no later than the next business day, on which you will find the account number that you must enter when making the payment.
On invoice - this payment option is available to partners who have a framework agreement with our company.
If you want to use the last 2 methods, call our manager and he will give you instructions on how to receive an invoice with or without VAT.
The electrical appliances we supply meet high quality standards, have a 24-month warranty and meet all EU requirements.
In case of a complaint, no fee is charged for returning the goods.