Доставчик:
TENSE
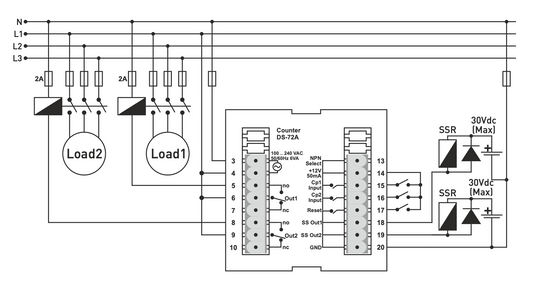
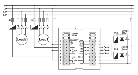
Електронен брояч на импулси / брояч на импулси + -
- Редовна цена
- 144.81 лв
- Редовна цена
-
- Цена с намаление
- 144.81 лв
- Единична цена
- на
В наличност
13
Артикули









